Полупроводники.
Вода и пузырь воздуха.
Диод.
Диод - прибор, пропускающий ток только в одну сторону. Аналог клапана. Против стрелки ток через него не проходит, по стрелке ток начинает протекать при разнице напряжений между анодом и катодом более 0,7 В. Заметим, что аналог-клапан тоже не отопрется при слишком малой разнице давлений.
Если подключить нагрузку к источнику переменного тока, ток через нагрузку, ясное дело, будет протекать поочередно то в одну, то в другую сторону (4). Если нам необходимо, чтобы ток шел только в одну сторону, мы ставим на провод "клапан" - диод (5). Но если поставить только один диод, ток через нагрузку будет протекать не весь. Ведь источник тока периодически меняет полярность питания (на то он и переменный): в один момент времени "плюс" оказывается на верхнем проводе, "минус" - на нижнем. В следующий момент времени полярность меняется на противоположную. Когда полюс сверху, ток через диод и нагрузку протекает к минусу источника. Когда же плюс снизу, диод не пропускает ток. То есть, ровно половину времени ток через нагрузку не течет. Такое выпрямление тока называется "однополупериодным". Если не очень понятно, представьте себе что источник тока - это водопровод, который качает воду то в одну сторону, то в другую, а вместо диода стоит клапан. Будет точно такая же картина - половину времени вода через нагрузку не течет.
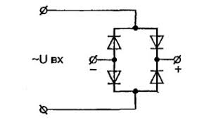
Если мы хотим, чтобы ток протекал через нагрузку постоянно, требуется двухполупериодный выпрямитель (называемый также "диодным мостом"). Такой мост изображен на рисунках 6,7,8 и 9. Это совершенно идентичные схемы, просто нарисованные по-разному. Если вы отследите прохождение тока в различные полупериоды (от плюса источника тока, через диоды со стрелочками и нагрузку к минусу источника), то убедитесь в этом сами. Можно и в этом варианте представить клапана на водопроводе. Для того, чтобы не происходил подобный позор, необходимо запомнить признаки диодного моста:
1. К каждому выводу источника подключен анод одного диода и катод другого.
2. Оба катода двух диодов, подключенных к разным выводам источника подключены к плюсу нагрузки
3. Оба анода двух диодов, подключенных к разным выводам источника подключены к минусу нагрузки
Как-то так.
Транзистор.
Касаться процессов на атомно-молекулярном уровне не станем - такого добра в сети навалом, опишем принцип действия.
Людей часто часто вводит в заблуждение термин "усиление сигнала". У многих создается впечатление, что транзистор волшебным образом увеличивает подаваемое на него напряжение, как некий вечный двигатель. На самом деле транзистор - это всего лишь регулятор потока. На рисунке слева - схематическое обозначение транзистора, справа - гидравлический аналог, демонстрирующий принцип его работы.
Транзистор такого типа называется "биполярным". Пока на его базу не подано положительное напряжение, он заперт, т.е., не пропускает ток по цепи коллектор - эмиттер. Гидравлический аналог запертого транзистора - посередине.
Если же на базу транзистора подать напряжение (свыше 0,7 В, как и у диода!), ток, протекающий через него по цепи база - эмиттер, отопрет канал коллектор - эмиттер. То есть, уменьшит сопротивление между коллектором и эмиттером Аналог открытого состояния транзистора - справа.
Регулируя ток базы, мы управляем током цепи коллектор - эмиттер. Усиление же, производимое транзистором, заключается в том, что ток коллектор-эмиттер больше управляющего тока (база-эмиттер) в несколько раз - точно так же, как небольшой поток через "базу" в гидравлическом аналоге, управляет большим потоком воды в вертикальной трубе:
Допустим, в этой схеме напряжение источника тока (батарейки) 10 В. Сопротивление R1 - 10 000 Ом (10 килоом - 10 КОм). При разомкнутом выключателе в цепи базы, оба амперметра (А1 и А2) показывают нулевой ток. Если выключатель замкнуть, от плюса источника через резистор R1, базу и эмиттер транзистора к минусу источника потечет ток, равный напряжению источника, деленному на сопротивление: I=U/R. В нашем случае
10 В/10 000 Ом = 0,001 А (1 мА - один миллиампер). Этот ток откроет транзистор, и амперметр А2 тоже покажет некий ток (но этот ток течет от плюса к минусу батареи уже через коллектор-эмиттер транзистора - гляньте гидравлический аналог).
Во сколько раз показания амперметра 2 (т.е. ток коллектора транзистора) больше показаний амперметра 1 (тока базы), таков и есть коэффициент усиления нашего транзистора. Коэффициент усиления может сильно отличаться у различных типов транзисторов: начиная от десятков, и до нескольких сотен. Если коэффициент усиления нашего транзистора равен 100, ток в цепи его коллектора будет равен 100 мА = 0,1 А.
Ну хорошо. Небольшим током базы мы можем управлять током коллектора. А как же транзистор усиливает напряжение? Да очень просто. Появление тока в цепи коллектора означает, что транзистор уменьшил свое сопротивление. В приведенном выше примере, сопротивление R цепи коллектор-эмиттер транзистора в открытом состоянии равно U/I, т.е. 10 В/0,1 А = 100 Ом. В запертом состоянии транзистора - бесконечности.
Если вместо амперметра А2 в цепь коллектора подключить резистор (сопротивление) R2, номиналом, к примеру, 900 Ом, получится следующая картина: при разомкнутом выключателе в цепи базы, напряжение между коллектором и эмиттером равно напряжению источника тока, т.е., 10 В, что покажет вольтметр, подключенный параллельно транзистору (левая картинка).
Если выключатель замкнуть, сопротивление участка коллектор-эмиттер упадет, как мы посчитали, до 100 Ом. Получится, что напряжение источника поделится между сопротивлением резистора R2 и сопротивлением транзистора. А напряжение на участке цепи, как мы помним, пропорционально его сопротивлению. Значит, девять десятых напряжения источника придется на сопротивление R2, а одна десятая (т.е. 1 В) - на транзистор. И вольтметр V1 покажет напряжение 1 Вольт (правая картинка). Итак, небольшой базовый ток позволяет нам в значительных пределах изменять напряжение на коллекторе транзистора.
Выше речь шла о транзисторе, отпираемом положительным напряжением на базе. Такой тип называется n-p-n. Но существуют и его "антипод" типа p-n-p, отпираемый отрицательным (относительно эмиттера) напряжением на базе. Он рисуется со стрелочкой к базе, а не от базы. И питание на такой транзистор подается в обратной полярности - минус на коллектор, плюс на эмиттер.
Все остальное совершенно идентично.
Кроме биполярных, придуманы транзисторы полевые. Если биполярные транзисторы управляются током базы, то полевые - напряжением (электрическим полем - отсюда название) на электроде, называемом "затвором". Действует он примерно так же, как затвор на плотинах, перекрывающий поток воды.

Пока на затворе (З) нет напряжения, ток свободно протекает от стока (С) к истоку (И). Подаваемое на затвор напряжение отталкивает носители заряда, отвечающие за ток в канале транзистора. При этом, сечение канала сужается, и, понятно, его сопротивление увеличивается. При определенном напряжении на затворе (называемом "напряжение отсечки"), канал сток - исток запирается полностью. Гидравлический аналог полевого транзистора будет выглядеть так:
Видно, что в отличие от биполярного транзистора, ток в цепи управляющего электрода "полевика" отсутствует. Для работы полевого транзистора требуется лишь напряжение (аналог давления воды). Этот факт позволяет использовать последние для хранения информации. Заряженный (или разряженный) конденсатор, подключенный к затвору, может длительное время сохранять свое состояние, а значит, и информацию. Прочесть же эту информацию можно измерив сопротивление цепи сток - исток, и чтение никак не повлияет на напряжение затвора, то есть, на состояние памяти. Причем, подключать "запоминающий" конденсатор к затвору полевого транзистора не обязательно, так как переход затвор-канал сам по себе обладает электрической емкостью, способен хранить заряд (точно так же обладает электрической емкостью диод, включенный в обратном направлении).
И что самое ценное - такая система памяти энергонезависима, то есть, сохраняется при отключении питания. Именно таким образом информация хранится на "флэшках".
Так же как и биполярные, полевые транзисторы бывают двух типов: одни запираются "плюсом" на затворе, вторые - минусом.
Усиление сигнала.
Перейдем к практически применимой схеме усилителя на биполярном транзисторе. Но прежде о том, что именно мы будем усиливать и - зачем.
К примеру, нам необходимо установить звуковую связь с человеком, находящимся от нас в нескольких километрах. Переговорная труба не подойдет - слишком далеко. Раз уж мы тут говорим про электричество, необходимо найти возможность преобразовать звук (нашу речь) в электрический сигнал, передать на расстояние и преобразовать обратно в звук. Полученные выше сведения позволяют нам это сделать.
Вспомним, что перемещение магнита возле катушки вызывает появление в последней электрического тока. Подвесим тоненькую магнитную пластину на пружинах рядом с катушкой (можно наоборот - подвесить катушку на гибкой мембране рядом с неподвижным магнитом - суть не изменится). Произносимые нами звуки представляют собой местные уплотнения воздуха - звуковые волны.
Эти волны вызовут колебания магнитной пластинки. Изменение магнитного поля в катушке из-за перемещения пластинки, приведет к появлению на выводах катушки переменного напряжения, точно соответствующего форме звуковых волн. Мы с вами изобрели микрофон.
Заметим, что такой тип микрофона (он называется электродинамическим) - обратимый прибор: если на катушку подать переменное напряжение звуковой частоты, магнитная пластинка, то притягиваясь, то отталкиваясь от катушки, воспроизведет звук.
Соединив два таких прибора проводами, получим искомое - способ связаться с удаленным абонентом. Правый прибор - микрофон, преобразующий звук в переменный ток такой же формы, Левый - громкоговоритель, выполняющий обратное превращение - в звук.
Понятно, что если говорить в левый прибор, правый воспроизведет речь, так как оба прибора идентичны.
Если вы сможете найти два головных телефона (иначе говоря - наушника) с высоким сопротивлением, примерно 3 000 Ом, иначе - 3 КОм, вполне сможете наладить связь вышеуказанным способом на небольшое расстояние, порядка 10 метров - без всяких батарей и усилителей.
Но есть небольшое "но". Во-первых, напряжение, вырабатываемое таким микрофоном мало для того, чтобы сильно раскачать громкоговоритель. То есть, абонент будет слышать очень тихий звук. Во-вторых, если связь ведется на больших расстояниях, передаваемый сигнал будет к тому же значительно ослаблен сопротивлением проводов связи. Значит, сигнал перед передачей требуется усилить. И мы это умеем. Включим в цепь коллектора транзистора громкоговоритель B2, а на базу будем подавать слабый сигнал с микрофона B1. Этот сигнал будет изменять внутреннее сопротивление транзистора, а значит, через громкоговоритель пойдет усиленный сигнал. Сам громкоговоритель будет установлен у нашего абонента.
А для чего нужен резистор R1? Он задает так называемое "смещение". Мы же помним, что данный транзистор отпирается положительным напряжением на базе. А наш микрофон выдает переменное напряжение. Значит, без R1, положительную полуволну с микрофона транзистор усилит, а отрицательную просто не пропустит - в точности как диод в однополупериодном выпрямителе, описанном выше.
А значит, во время отрицательной полуволны с микрофона, транзистор не откроется. Графически это будет выглядеть так:
Слева - напряжение на выходе микрофона, справа - на выходе (коллекторе) транзистора при отсутствии смещения.
Нам же, необходимо передать абоненту сигнал таким, какой он есть в оригинале. Поэтому, резистором R1 мы немного приоткрываем транзистор, чтобы через его базу протекал небольшой ток.
Понятно, что при этом небольшой ток появится и в цепи коллектора (вспоминаем гидро аналог).
Переменное же напряжение с микрофона то складывается с током смещения (при этом сильнее открывая транзистор - левая схема), то вычитается из него, когда течет навстречу ему, уменьшая ток коллектора транзистора (правая).
Теперь через транзистор (а значит, и через громкоговоритель) течет ток, в точности повторяющий форму звука, приходящего на микрофон.
А для чего нужен конденсатор между микрофоном и базой транзистора?
Нам нужно пропустить ток смещения через цепь база-эмиттер транзистора. Если не поставить конденсатор, этот ток, вместо того, чтобы идти на базу, уйдет к минусу источника питания путем наименьшего сопротивления - через катушку микрофона. И никакого смещения мы не получим. Конденсатор же, не пропускает постоянный ток, не препятствуя прохождению переменного тока от микрофона к базе транзистора.
Нарисуем полный гидравлический аналог приведенной выше схемы (называемой однокаскадным усилителем).
Источник "тока" создает давление жидкости (аналог напряжения) в верхней трубе. Через сопротивление смещения, это давление подается на базу транзистора (его левый вывод), слегка смещая "шторку", управляющую поршнем, регулирующим поток жидкости в цепи "коллектора" транзистора (его верхний вывод). Соответственно, слегка сдвинутый поршень обеспечивает небольшой начальный поток через "громкоговоритель" в направлении эмиттера (нижний вывод) и обратно к источнику тока.
То есть, мы имеем два потока жидкости (ведите пальцем по схеме): первый по цепи верхний вывод источника тока - резистор - база транзистора - эмиттер транзистора - нижний вывод источника тока. Заметим, что при отсутствии разделительного конденсатора, поток после резистора мог бы уйти к нижнему выводу источника тока через "микрофон", минуя базу транзистора.
Этот первый поток управляет вторым потоком, протекающим по цепи: верхний вывод источника тока - громкоговоритель - коллектор транзистора - эмиттер транзистора - нижний вывод источника тока.
Микрофон и громкоговоритель устроены одинаково: на оси (жирная точка) закреплена мембрана, часть которой находится в жидкости, часть - на воздухе.
Если мы произносим звуки вблизи микрофонной мембраны, ее колебания будут передаваться части мембраны, находящейся в жидкости. Эти колебания будут перегонять жидкость то в одну, то в другую сторону по цепи (ведем пальцем): микрофон - разделительный конденсатор (он не мешает переменному потоку жидкости) - база транзистора - эмиттер транзистора - микрофон, то сильнее приоткрывая шторку, то чуть прикрывая ее. Напомним: шторка изначально чуть приоткрыта за счет тока через сопротивления смещения. А так как шторка управляет поршнем, будет меняться и поток жидкости в громкоговорителе, причем, существенно сильнее, чем в цепи базы. Часть мембраны "громкоговорителя", расположенная в воздухе, воспроизведет усиленный звук. Вот, собственно и вся работа данной схемы.